Categories语言包修改
Categories语言包修改

fdgggdhbb

Jan 13th,2026 67 Views

Date: August 4, 2023

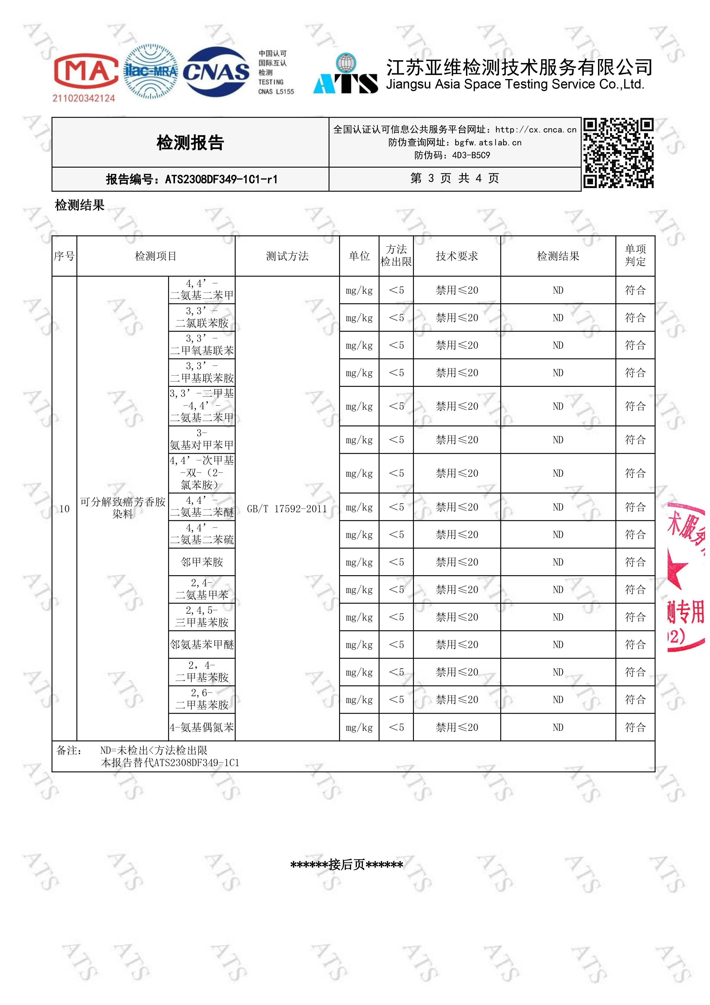
Inspection Location: Jiangsu Yawell Testing Technology Service Co., Ltd.

Materials: Tent + Ground Mat

Product Usage Scene

Qualification Certificates

Certificate 1 Certificate 2 Certificate 3 Certificate 4 Certificate 5 Certificate 6 Certificate 7